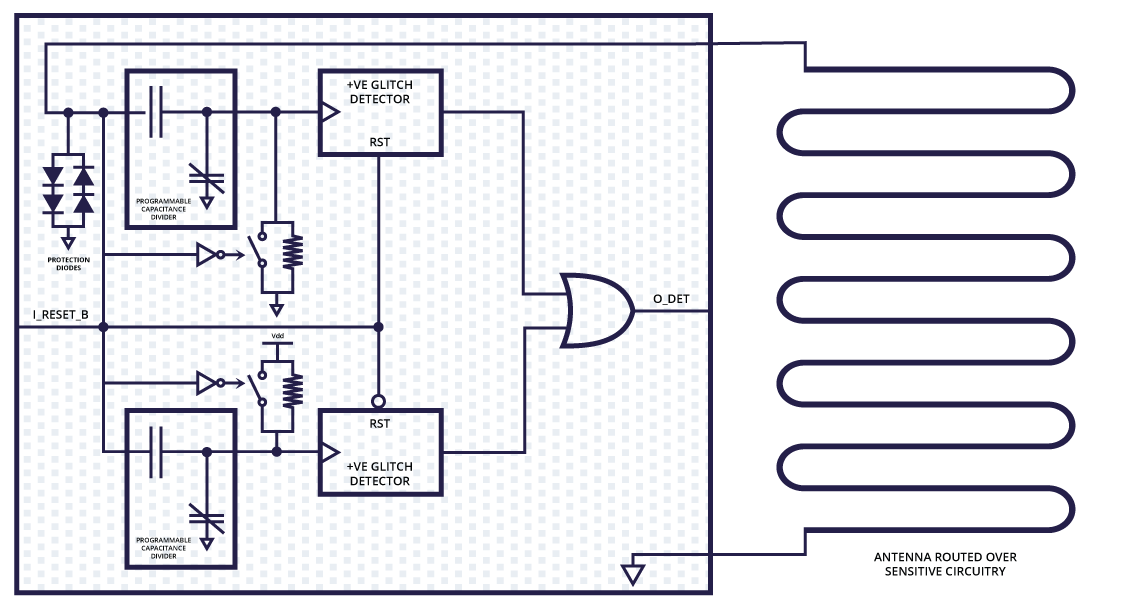
agileEMSensor
The agileEMSensor product is a latch based sensor designed to detect electromagnetic disturbances in critical circuits. It provides security and protection against side-channel attacks (SCAs) and tampering through electromagnetic fault injection. This sensor provides digital outputs to warn processors of intrusion attempts. The latched based scheme allows for configuration by both antenna geometry and internal dividers for sensitivity adjustment. It can be tuned to your specifications and is ideally suited for security and monitoring in applications such as loT, Automotive, Medical, Al and general SoCs and ASICs.
ÌÇÐÄ´«Ã½ designs are based on tried and tested architectures to ensure reliability and functionality. Our design methodology is programmatic, systematic and repeatable leading to analog IP that is more verifiable, more robust and more reliable. Our methodology also allows us to quickly re-target our IP to different process options. We support all the major foundries including TSMC, GlobalFoundries, Intel Foundry, Samsung Foundry, UMC and Other Foundries.
Detection of electromagnetic fault injections • Programmable thresholds • Latched operation • Response time: <5ns • Silicon area: 0.0203mm2 in 4nm
Isolated from power supply noise and temperature • Programmable thresholds • Flexible sensor element integrated into chip back-end flow to protect critical circuitry

Block Diagram | EMFI Detector | agileEMSensor
Take a look at this selection of ÌÇÐÄ´«Ã½ marketing and product related information. These press releases offer some interesting insights into our industry collaborations and product development work.